概述
AYTSPD低压浪涌保护器系列产品按GB18802.1 (IEC61643-1)设计,其内部核心元件采用本公司生产的优质芯片/放电间隙。通过电压能力、电流能星以及参数异常值的筛选。BCSPD最大通流垦可达200KA(8/20uS),承受过电压能力强,残压低,漏流小。脱口机构灵敏,标准导轨安装(35mm)。失效窗口显示,响应速度快,确保安全可靠。
工作原理
在三相五线制系统中,三条相线和一条零线对地线之间均有保护器。在正常情况下保护器处于高阻状态,当电网因雷击或其他原因适成浪通过电压时,保护器将在纳秒级时间内迅导通,将浪涌过电压引入大地,从而保护了电网上的用电没备。当该浪涌过电压通过保护器且消失后,保护器又重新恢复到高阻状态。从而不影响电网的正常运行。
特点
1、采用内部接线,整体结构紧凑,安装接地方便。
2、高速反应,运作时间小于5ns。
3、工作状态显示明显:绿色(正常)、红色/白色(故障)。
4、可附加功能,如计数器(J)、故障遥信接点(Y)。
适用范围
AYTSPD型低压浪涌保护器适用与电网电压1000V以下,频率50/60HZ的各种低压配电系统中。如邮电通信、铁路、金融系统、油田、高层建筑、民宅、写字楼等配电系统中。使这些用电单位的用电器(如电脑、仪器设备、家用电器等>免受雷击、暂态过电压等浪涌过电压带来的损害。保证设备及人身安全。是理想的过电压保护装置。
使用环境
1、海拔高度不超过2000m;
2、周围空气温度:正常范围扩展范围:
3、空气相对湿度:室内温度条件下30%~90%;
4、与垂直面的倾斜角度不超过5。;无显著摇支和冲击震动的地方;
5、无爆炸危险的介质中,且介质中无足以腐蚀金属和破坏绝缘的气体与尘埃(包括导电尘埃)
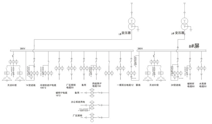
上图示意

雷电计数器
