过电压保护释义
过电压保护是一种使设备免受过电压伤害的方法,具体描述:根据国标电力设备绝缘配合的要求,人为地在系统中设罝一系列绝缘薄弱点,这些薄弱点与设备并联连接,系统电压正常时呈截止状态;当出现过电压时,这些薄弱点先与设备绝缘发生功能性击穿进入导通状态,消耗过电压的能星,并限制过电压继续上升,达到设备免受过电压伤害的目的,当过电压消失后,绝缘薄弱点自动恢复到截止状态。具有以上所述绝缘薄弱点功能的器件称为过电压保护装罝。
过电压分外部过电压和内部过电压两种。外部过电压又称雷电过电压、大气过电压。内部过电压是电力系统内部运行方式发生改变而引起的过电压,有暂态过电压,操作过电压和内部过电压两种,外部过电压和谐振过电压等。
操作过电压的分类及危害
操作过电压分为下列5类:切除空载线路引起的过电压、空载线路合闸时引起的过电压、切除空载变压器引起的过电压、间隙性电弧接地引起的过电压、解合大环路引起的过电压等。
当真空断路器应用到系统中的同时,就引入了操作过电压。因为,真空断路器的截流特性,使得感性负载的绕组两端(电源即相间)会出现极高的瞬时过电压,由于过电压频率较高,该过电压在绕组的纵向上呈梯度分布,使得端部少数星几匝绕组承受过高电压,给绕组匝间绝缘造成累积性伤害,随着次数增加,最终形成贯穿,引发系统相间短路事故。凡有真空断路器的场合,一定要实施操作过电压保护,即采用三相组合式电压保护装罝!
电网中限制操作过电压的措施
电网中限制操作过电压的措施有下列5种:选用灭弧能力强的高压开关,提高开关动作的周期性、采用性能良好的过电压保护装罝、开关断口加装并联电阻、使电网的中性点直接接地运行。
过电压保护器产品,由于具有相间和相对地的保户功能,从而成功地解决了因真空开关开断而引起的操作过电压对设备绝缘危害的问题。为我国的电力保护事业作出了巨大的贡献。
但随着系统的曰益扩大,电缆及非线性负载的普遍采用,操作过电压和谐振过电压越来越严重,导致保户器动作越来载频繁,阀片老化速度加快,也使保护器的预期寿命相应缩短。以致于在系统谐振过电压等其它非正常条件下,保护器本身发生崩溃,进而引发开关柜内相间短路,给用户带较大的经济损失。
为了解决上述问题,我公司研制生产出新一代大能容防爆型复合式过电压保护器BCBP。
通过优化过电压保护装罝的性能指标,加大了过电压吸收容星,该装罝增设了过电压动作计数及故障自动脱离功能,免去了繁琐的定期检测工作,解决了工程技术人员对设备安全运行问题的担忧。
结构组成
大能容防爆型复合式过电压保护器是由过电压保护功能部分、内部短路故障脱离部分、过电压在线监测等三部分功能组合而成的过电压保护装罝。
工作原理
正常运行时:过电压保护器正常进行过电压保护,自脱离过电压保护装置内通过的是过电压造成的短暂电流:脱离装置内没有短路电流流过,因此不动作:监测仪显示一切正常。
非正常状态:过电压保护器因故发生热崩溃,失去过电压限制功能,形成内部相间短路故障,自脱离过电压保护装置内部出现短路电流:自脱离装置在短路电流的作用下迅速动作,脱离该短路点,同时产生足以使与之并联的其他线路的自脱离过电压保护装罝动作的过电压,将短路能呈转移,实现该故障线路相同短路故障点的可靠切除P当自脱离过电压保护装罝的脱离装置动作后,说明该自脱离过电压保护装罝内部的过电压保护功能已完全失效,需更换,否则,该线路的设备长期失去过电压保护,对设备不安全。
产品特点
1、大通流容呈,限压效果更好,适用范围更广,耐受力更强,使用寿命更长;
2、采用氧化锌非线性电阻和放电间隙串联的结构,使两者互为保护。放电间隙使氧化锌电阻的荷电率为零,氧化锌电阻的非线性特性又使放电间隙动作后无续流,放电间隙不再承担灭弧任务,提高了产品的使用寿命;
3、采用四星形接法,可将相间过电压大大降低,保护的可靠性大为提高;
4、阀片和放电间隙分隔组装,互不影响,放电电极不易受潮,被氧化,使得动作值更稳定、可靠;
5、带过电压动作计数及故障自动脱离功能,免去了繁琐的定期检测工作,解决了工程技术人员的对设备安全运行问题的担忧。
6、AYTBP成功地整合了传统的组合式过电压保护器功能和过电压保护元件短路故障自动脱离功能,在现场有限的空间下得以顺利安装,集过电压保护、短路故障自脱离、信号输出、动作计数、通讯联网等功能为一体,完善了过电压保护安装,真正实现了系统的安全保护目的;
7、可订做高原型(适应高海拔地区)
8、产品具有防污、抗寒、防潮特点;
9、国内首个针对沙漠、盐碱地等恶劣环境产品。
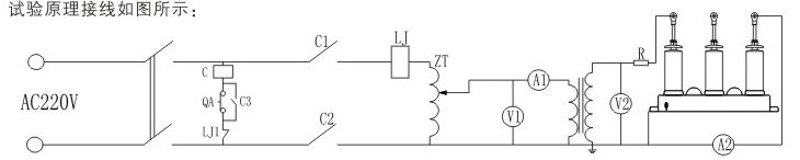
试验方法及注意事项试验方法
按原理图将相关仪表和设备连接好。测试前应首先将电流继电器LJ的整定值调至最小值(作为后备保护),然后将试验变压器空载升压,电流继电器LJ应不动作,将数字电流表A1的虽程调至5〜20A(5KVA及以下容里试验变压器可不加限流电阻Rl。
工频试验电压分别加在被测试品的A和D、B和D、C和EXA和C、B和C、以及A和B上,缓慢调高试验变压器的输出电压,同时观察电压表及数字电流表A2,AYTBP间隙未击穿放电时,数字电流表A2的读数为零或数值很小。当试验变压器的输出电压达到AYTBP的动作值时,AYTBP间隙被击穿放电,数字电流表A2的读数将突增,电流表A1同样也会有突变现象产生,此时试验变压器的高压输出电压值即为该AYTBP的工放值。
试验注意事项
a、用户在做AYTBP工放时,应以电流表数值有明显突变时的高压输出电压值,作为AYTBP的工放数值;
b、在做工频放电时,当观察到电流表有明显的增大时.要立即将调压器回零,并切断电源。切忌在放电后继续升高电压,以免损坏AYTBP及试验变压器;
c、用户在试验时,如果发现其工放值超出表一中的允许范围时,请仔细检查接线是否正确、表计是否准确和调压器炭刷是否接触良好等,如经检查测试数据无误,确已超出允许范围时,请与我公司联系;
d、用户在做其它电气设备绝缘试验时,应将AYTBP连接线拆除;
e、试验时,只有内部间隙放电,外围任何部分不得有闪络;
f、本产品每一至二年做一次预防性试验,同时将AYTBP外表面灰尘清理干净。
试验注意事项
户内AYTBP可以水平安装在各种不同型号的幵关柜内,该类产品除直接与开关柜“A”、“B”、三相及接地相(“D”相)相连的线鼻子为裸导体外,其余部分被绝缘体封闭,因此它的相间、相对地(或柜体)的距离及对柜体安装空间要求相应较小,可直接安装在开关柜的手车底盘内或互感器室内;户内AYTBP安装时,必须加装倒装专用夹具,倒装或侧装的接线方法同水平安装。
AYTBP在和三相电源(A、B、C)及接地端(D)相连时,须注意以下事项:电缆外端裸露的连接线鼻子相互之间距离,应满足不同电压等级的不同相带电导体之间保持的最小安全距离的要求。
AYTBP保护器电缆线之间的安全距离及AYTBP保护器电缆线与不同相母线(或柜体)之间的安全距离应不 “于该型保护器电缆出口处的相间距离(应在电缆拉紧状况下)。高压电缆长度要根据安装位罝进行选择,长短要适当,过长时可将该相电缆捆扎固定在同相母排(线)上,严禁将不同相电缆捆扎在一起。用户在手车上安装AYTBP,可先将AYTBP的B相正对母排的B相位罝固定,然后再进行接线。安装时严禁手提电缆,同时要注意避免高压电缆被锐器割破。